Τηλ 2310249229 | info@mtsmoto.gr

Φιλίππου 72 & Ιασωνίδη Λεωνίδα, 54635 Θεσσαλονίκη

0 - Item

Δεν υπάρχουν προϊόντα στο Καλάθι Αγορών σας!

Μερικό Σύνολο: 0,00 €

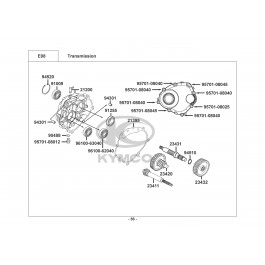
XCITING 500i UBS E3-ΔΙΑΦΟΡΙΚΟ (ΓΡΑΝΑΖΙΑ ΜΕΙΩΤΗΡΑ)

XCITING 500i UBS E3-ΔΙΑΦΟΡΙΚΟ (ΓΡΑΝΑΖΙΑ ΜΕΙΩΤΗΡΑ)

Περισσοτερες Οψεις

Α/Α Όνομα Τιμή Ποσ.
1 ΚΑΠΑΚΙ ΔΙΑΦΟΡΙΚΟΥ
21200-LBA2-E00
204,83 €
2 ΦΛΑΝΤΖΑ ΚΑΠΑΚΙΟΥ ΔΙΑΦΟΡΙΚΟΥ
21395-LBA2-E00
7,02 €
3 ΑΞΟΝΑΣ ΚΟΜΠΛΕΡ
23411-LBA2-E00
116,38 €
4 ΓΡΑΝΑΖΙ ΔΙΑΦ.ΜΕ ΑΞΟΝΑ
23420-LBA2-E00
155,25 €
5 ΑΞΟΝΑΣ ΚΙΝΗΣΗΣ
23431-LBA2-E00
119,58 €
6 ΓΡΑΝΑΖΙ ΑΞΟΝΑ ΚΙΝΗΣΗΣ
23432-LBA2-E00
58,63 €
7 ΡΟΔΕΛΑ 8mm
90488-7L00-001
0,80 €
8 ΤΣΙΜΟΥΧΑ 38*50*7
91255-LBA2-E00
5,03 €
9 ΠΕΙΡΟΣ ΚΕΦ.ΚΥΛ.
94301-10160
1,33 €
10 ΑΣΦΑΛΕΙΑ 25mm
94510-25000
1,92 €
11 ΑΣΦΑΛΕΙΑ 55mm
94520-55000
5,03 €
12 ΒΙΔΑ 8*12
95701-08012-08
1,60 €
13 ΒΙΔΑ 8*25
95701-08025-08
2,00 €
14 ΒΙΔΑ (ΔΙΑΦΟΡΙΚΟΥ) Μ8Χ1.25*40
95701-08040-08
0,00 €
15 ΒΙΔΑ ΣΧΑΡΑΣ 8*45
95701-08045-07
1,93 €
16 ΡΟΥΛΕΜΑΝ ΣΤΡΟΦΑΛΟΥ 6204
96100-62040-00
9,41 €
17 ΡΟΥΛΕΜΑΝ 6304
96100-63040-00
10,84 €
18 ΡΟΥΛΕΜΑΝ 6006
96150-60060-10
18,65 €

Γρήγορη Επισκόπηση

XCITING 500i UBS E3-ΔΙΑΦΟΡΙΚΟ (ΓΡΑΝΑΖΙΑ ΜΕΙΩΤΗΡΑ)

Λεπτομέρειες

XCITING 500i UBS E3-ΔΙΑΦΟΡΙΚΟ (ΓΡΑΝΑΖΙΑ ΜΕΙΩΤΗΡΑ)