Τηλ 2310249229 | info@mtsmoto.gr

Φιλίππου 72 & Ιασωνίδη Λεωνίδα, 54635 Θεσσαλονίκη

0 - Item

Δεν υπάρχουν προϊόντα στο Καλάθι Αγορών σας!

Μερικό Σύνολο: 0,00 €

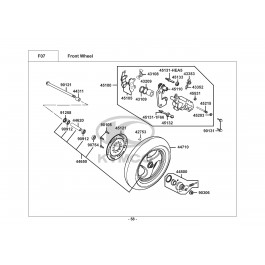
ZX 50 E2-ΕΜΠΡΟΣΘΙΟΣ ΤΡΟΧΟΣ

ZX 50 E2-ΕΜΠΡΟΣΘΙΟΣ ΤΡΟΧΟΣ

Περισσοτερες Οψεις

Α/Α Όνομα Τιμή Ποσ.
1 ΒΑΛΒΙΔΑ ΤUΒΕLΕSS
42753-0D04-900
6,37 €
2 ΕΛΑΤΗΡΙΟ ΕΜΠΡ. ΔΑΓΚΑΝΑΣ
43108-KFS6-07A
2,50 €
3 ΤΣΙΜΟΥΧΑ ΔΑΓΚΑΝΑΣ
43109-MCA3-007
1,92 €
4 ΤΣΙΜΟΥΧΑ ΠΙΣΤΟΝΙΟΥ ΔΑΓΚΑΝΑΣ
43209-MCA3-007
1,92 €
5 ΒΙΔΑ ΕΜΠΡ.ΔΑΓΚΑΝΑΣ(ΟΠ.SΡΙΚΕ R)
43352-5H68-004
2,80 €
6 ΤΑΠΑ ΒΙΔΑΣ ΕΜΠΡ.ΔΑΓΚΑΝΑΣ
43353-4A61-77A
1,53 €
7 ΑΠΟΣΤΑΤΗΣ ΕΜΠΡ.ΤΡΟΧΟΥ ΕΞ/ΚΟΣ
44311-GW0-9100
2,58 €
8 ΑΠΟΣΤΑΤΗΣ ΕΜΠΡΟΣΘΙΟΥ ΤΡΟΧΟΥ
44620-KEB7-E00
3,60 €
9 ΖΑΝΤΑ ΕΜΠΡΟΣΘΙΑ (ΑL) 12"
44650-KEB7-315-NJA
271,80 €
10 ΑΤΕΡΜΟΝΑΣ ΚΟΝΤΕΡ
44800-KXCX-E00
29,30 €
11 ΒΑΣΗ (ΔΑΓΚΑΝΑ) ΕΜΠΡΟΣΘΙΑ
45100-KXCX-E00-NJA
161,96 €
12 ΤΑΚΑΚΙΑ ΦΡΕΝΟΥ ΕΜΠΡΟΣΘΙΑ
45105-KXCX-E05
27,28 €
13 ΒΑΣΗ ΕΜΠ.ΔΑΓΚΑΝΑΣ
45110-KXCX-E00
23,16 €
14 ΔΙΣΚΟΠΛΑΚΑ ΕΜΠΡΟΣΘΙΑ
45121-KECE-900
73,55 €
15 ΠΕΙΡΟΣ ΔΑΓΚΑΝΑΣ ΟΠ. ΔΙΣΚ/ΝΟΥ
45131-1F66-017
7,77 €
16 ΠΕΙΡΟΣ ΔΑΓΚΑΝΑΣ Α ΕΜΠ. ΔΙΣΚ/ΝΟΥ
45131-HEA5-67A
8,38 €
17 ΣΙΝΕΜΠΛΟΚ ΔΑΓΚΑΝΑΣ
45132-1F66-017
3,60 €
18 ΠΕΙΡΟΣ ΛΑΣΤ.ΕΜΠ.ΔΑΓΚΑΝΑΣ
45133-MCA3-007
2,44 €
19 ΠΕΙΡΟΣ ΔΑΓΚ.ΕΜΠ.ΔΙΣΚ/ΝΟΥ
45215-KCA3-73A
3,09 €
20 ΤΑΠΑ ΟΠΙΣΘ.ΔΙΣΚΟΦΡΕΝΟΥ
45531-GAR1-951
1,33 €
21 ΒΙΔΑ ΕΜΠΡ.ΔΙΣΚ.
90105-KCR3-001
2,80 €
22 ΑΞΟΝΑΣ ΕΜΠΡΟΣΘΙΟΥ ΤΡΟΧΟΥ
90121-KBE2-981
6,70 €
23 ΒΙΔΑ 8*35 ΟΠΙΣΘΙΟΣ ΔΑΓΚΑΝΑΣ
90131-GLW0-911
1,92 €
24 ΠΑΞΙΜΑΔΙ ΕΜΠΡ.ΤΡΟΧΟΥ 12mm
90306-GLW0-90A
2,95 €
25 ΤΣΙΜΟΥΧΑ ΕΜΠ. 20*32*5
90754-GHC8-C00
1,93 €
26 ΡΟΥΛΕΜΑΝ ΕΜΠΡ.ΤΡΟΧΟΥ 6201LU
90912-GHC8-00A
5,92 €
27 ΤΣΙΜΟΥΧΑ ΕΜΠΡΟΣ.ΤΡΟΧΟΥ
91258-KAM1-00A
2,80 €

Γρήγορη Επισκόπηση

ZX 50 E2-ΕΜΠΡΟΣΘΙΟΣ ΤΡΟΧΟΣ

Λεπτομέρειες

ZX 50 E2-ΕΜΠΡΟΣΘΙΟΣ ΤΡΟΧΟΣ