Τηλ 2310249229 | info@mtsmoto.gr

Φιλίππου 72 & Ιασωνίδη Λεωνίδα, 54635 Θεσσαλονίκη

0 - Item

Δεν υπάρχουν προϊόντα στο Καλάθι Αγορών σας!

Μερικό Σύνολο: 0,00 €

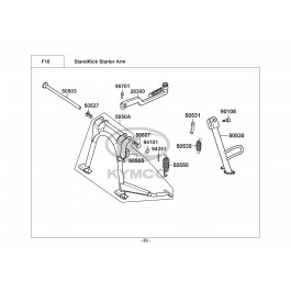
SUPER 9 S AC-ΟΡΘΟΣΤΑΤΗΣ-ΠΛΑΓΙΟΣΤΑΤΗΣ

SUPER 9 S AC-ΟΡΘΟΣΤΑΤΗΣ-ΠΛΑΓΙΟΣΤΑΤΗΣ

Περισσοτερες Οψεις

Α/Α Όνομα Τιμή Ποσ.
1 ΜΑΝΙΒΕΛΑ
28300-KGB5-900
21,77 €
2 ΑΞΟΝΑΣ ΚΕΝΤΡΙΚΟΥ ΣΤΑΝΤ
50503-KEB7-900
7,77 €
3 ΛΑΣΤΙΧΟ ΤΕΡΜΑΤΙΣΜΟΥ ΣΤΑΝΤ
50505-KEBE-900
1,76 €
4 ΣΤΑΝΤ ΚΕΝΤΡΙΚΟ
5050A-KGB5-900
67,37 €
5 ΑΠΟΣΤΑΤΗΣ ΑΞΟΝΑ ΚΕΝΤΡΙΚΟΥ ΣΤΑΝΤ
50527-KED5-900
3,25 €
6 ΣΤΑΝΤ ΠΛΑΙΝΟ
50530-KGB5-E00
32,55 €
7 ΛΑΜΑΚΙ ΣΤΟΠ ΕΛΑΤΗΡΙΟΥ ΣΤΑΝΤ
50531-KEB7-E00
5,96 €
8 ΕΛΑΤΗΡΙΟ ΠΛΑΙΝΟΥ ΣΤΑΝΤ (ΑΥΤ/ΤΟ)
50535-KEB7-E00
6,70 €
9 ΕΛΑΤΗΡΙΟ ΚΕΝΤΡΙΚΟΥ ΣΤΑΝΤ
50550-KEB7-E00
7,63 €
10 ΒΙΔΑ ΠΛΑΙΝΟΥ ΣΤΑΝΤ
90108-KEB7-E00
4,39 €
11 ΡΟΔΕΛΑ 8mm
94101-08600
1,92 €
12 ΑΣΦΑΛΕΙΑ ΛΑΣΤΙΧΟΥ ΣΤΟΠ ΣΤΑΝΤ
94251-08400
1,93 €

Γρήγορη Επισκόπηση

SUPER 9 S AC-ΟΡΘΟΣΤΑΤΗΣ-ΠΛΑΓΙΟΣΤΑΤΗΣ

Λεπτομέρειες

SUPER 9 S AC-ΟΡΘΟΣΤΑΤΗΣ-ΠΛΑΓΙΟΣΤΑΤΗΣ