Τηλ 2310249229 | info@mtsmoto.gr

Φιλίππου 72 & Ιασωνίδη Λεωνίδα, 54635 Θεσσαλονίκη

0 - Item

Δεν υπάρχουν προϊόντα στο Καλάθι Αγορών σας!

Μερικό Σύνολο: 0,00 €

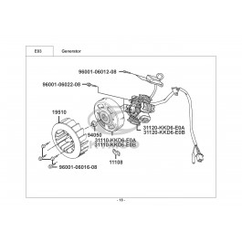
SUPER 9 S AC (NEW)-ΒΟΛΑΝ-ΠΗΝΙΑ

SUPER 9 S AC (NEW)-ΒΟΛΑΝ-ΠΗΝΙΑ

Περισσοτερες Οψεις

Α/Α Όνομα Τιμή Ποσ.
1 ΒΑΣΗ ΚΑΛΩΔΙΟΥ ΜΑΝΙΑΤΟ
11108-KEB7-900
0,00 €
2 ΦΤΕΡΩΤΗ ΒΟΛΑΝ
19510-GBW2-901
5,03 €
3 ΜΑΝΙΑΤΟ ΚΟΜΠΛΕ
31120-KKD6-E0A
74,61 €
4 ΜΑΝΙΑΤΟ ΚΟΜΠΛΕ
31120-KKD6-E0B
74,61 €
5 ΠΑΞΙΜΑΔΙ ΒΟΛΑΝ
94050-10080
1,04 €
6 ΒΙΔΑ 6*12
96001-06012-08
2,00 €
7 ΒΙΔΑ 6*16
96001-06016-08
1,86 €
8 ΒΙΔΑ 6*22
96001-06022-08
2,00 €

Γρήγορη Επισκόπηση

SUPER 9 S AC (NEW)-ΒΟΛΑΝ-ΠΗΝΙΑ

Λεπτομέρειες

SUPER 9 S AC (NEW)-ΒΟΛΑΝ-ΠΗΝΙΑ