Τηλ 2310249229 | info@mtsmoto.gr

Φιλίππου 72 & Ιασωνίδη Λεωνίδα, 54635 Θεσσαλονίκη

0 - Item

Δεν υπάρχουν προϊόντα στο Καλάθι Αγορών σας!

Μερικό Σύνολο: 0,00 €

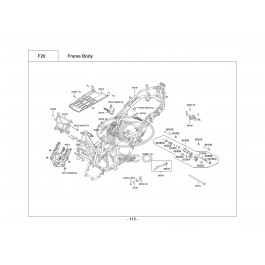
XCITING S 400i ABS Noodoe E4-ΣΚΕΛΕΤΟΣ-ΒΑΣΗ ΚΙΝΗΤΗΡΑ

XCITING S 400i ABS Noodoe E4-ΣΚΕΛΕΤΟΣ-ΒΑΣΗ ΚΙΝΗΤΗΡΑ

Περισσοτερες Οψεις

Α/Α Όνομα Τιμή Ποσ.
1 ΒΑΣΗ ΟΠΙΣΘΙΟΥ ΦΤΕΡΟΥ
50189-ADG5-E00
24,86 €
2 ΒΑΣΗ ΚΙΝΗΤΗΡΑ
50350-ADG5-E00
209,12 €
3 ΛΑΣΤΙΧΟ ΚΟΝΤΡΑΡΙΣΜΑΤΟΣ
50352-LBA2-E00
1,92 €
4 ΣΙΝΕΜΠΛΟΚΟΠ ΒΑΣΗΣ ΚΙΝΗΤΗΡΑ
50353-ADG5-E00
10,05 €
5 ΣΙΝΕΜΠΛΟΚ ΒΑΣΗΣ ΚΙΝΗΤΗΡΑ
50356-LHG7-E00
17,82 €
6 ΒΑΣΗ ΣΙΝΕΜΠΛΟΚ ΚΙΝΗΤΗΡΑ
50358-LKF5-E01
10,05 €
7 ΑΠΟΣΤΑΤΗΣ ΒΑΣΗΣ ΚΙΝΗΤΗΤΡΑ
50359-LKF5-E01
7,17 €
8 ΕΞΑΡΤΗΜΑ ΚΟΝΤΡΑ ΒΑΣΗΣ ΚΙΝΗΤΗΡΑ
50360-ADG5-E00
31,37 €
9 ΣΠΟΙΛΕΡ ΣΚΕΛΕΤΟΥ ΚΑΤΩ ΜΑΥΡΟ
50613-ADG5-E00-N1R
12,94 €
10 ΜΑΡΣΠΙΕ ΟΠΙΣΘΙΟ ΔΕΞΙΟ
5071A-ADG5-E00
36,12 €
11 ΜΑΡΣΠΙΕ ΟΠΙΣΘΙΟ ΑΡΙΣΤΕΡΟ
5072A-ADG5-E00
36,12 €
12 ΣΤΗΡΙΓΜΑ ΕΜΠΡΟΣΘΙΑΣ ΠΟΔΙΑΣ
64315-ADG5-E00
117,53 €
13 ΒΑΣΗ ΠΑΡΜΠΡΙΖ
64317-ADG5-E00
289,93 €
14 ΒΙΔΑ ΒΑΣΗΣ ΑΝΩ
90106-LKF5-E00
17,07 €
15 ΠΑΞΙΜΑΔΙ 10mm
90304-LBD4-900
1,92 €
16 ΠΑΞΙΜΑΔΙ 14mm
90305-LBD4-900
5,96 €
17 ΒΙΔΑ 6*12
93404-06012-06
1,92 €
18 ΠΑΞΙΜΑΔΙ 6mm
94050-06060
1,28 €
19 ΡΟΔΕΛΑ 10.5*38*3.0
94101-LBA2-E00
1,33 €

Γρήγορη Επισκόπηση

XCITING S 400i ABS Noodoe E4-ΣΚΕΛΕΤΟΣ-ΒΑΣΗ ΚΙΝΗΤΗΡΑ

Λεπτομέρειες

XCITING S 400i ABS Noodoe E4-ΣΚΕΛΕΤΟΣ-ΒΑΣΗ ΚΙΝΗΤΗΡΑ