Τηλ 2310249229 | info@mtsmoto.gr

Φιλίππου 72 & Ιασωνίδη Λεωνίδα, 54635 Θεσσαλονίκη

0 - Item

Δεν υπάρχουν προϊόντα στο Καλάθι Αγορών σας!

Μερικό Σύνολο: 0,00 €

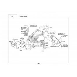
XCITING 300Ri MMC-ΣΚΕΛΕΤΟΣ-ΒΑΣΗ ΚΙΝΗΤΗΡΑ

XCITING 300Ri MMC-ΣΚΕΛΕΤΟΣ-ΒΑΣΗ ΚΙΝΗΤΗΡΑ

Περισσοτερες Οψεις

Α/Α Όνομα Τιμή Ποσ.
1 ΒΑΣΗ ΟΠΙΣΘΙΑΣ ΣΧΑΡΑΣ
50154-LBA2-E00
70,57 €
2 ΒΑΣΗ ΚΙΝΗΤΗΡΑ
50350-LDB2-E00
152,85 €
3 ΛΑΣΤΙΧΟ ΚΟΝΤΡΑΡΙΣΜΑΤΟΣ
50352-LBA2-E00
1,92 €
4 ΣΙΝΕΜΠΛΟΚ ΒΑΣΗΣ ΚΙΝΗΤΗΡΑ
50353-GBG2-711
5,96 €
5 ΣΙΝΕΜΠΛΟΚ ΒΑΣΗΣ ΚΙΝΗΤΗΡΑ
50353-KGN7-901
9,31 €
6 ΣΙΝΕΜΠΛΟΚ ΒΑΣΗΣ ΚΙΝΗΤΗΡΑ
50356-KHE7-E00
9,31 €
7 ΕΞΑΡΤΗΜΑ (ΑΞΟΝΑΣ) ΒΑΣΗΣ ΚΙΝ.
50360-LDB2-E00
30,20 €
8 ΚΟΛΑΡΟ ΒΑΣΗΣ ΚΙΝΗΤΗΡΑ
50364-KHE7-E00
2,53 €
9 ΣΤΗΡΙΓΜΑ ΕΝΔΙΑΜΕΣΟΥ ΟΠ.ΜΑΡΣΠΙΕ
50701-LBA2-E00
16,74 €
10 ΕΛΑΤΗΡΙΟ ΟΠΙΣΘΙΟΥ ΜΑΡΣΠΙΕ
50713-KEB7-900
1,93 €
11 ΠΕΙΡΟΣ ΟΠΙΣΘΙΟΥ ΜΑΡΣΠΙΕ
50715-KEB7-900
1,92 €
12 ΜΑΡΣΠΙΕ ΟΠΙΣΘΙΟ ΔΕΞΙΟ
5071A-LFG2-E00
19,63 €
13 ΜΑΡΣΠΙΕ ΟΠΙΣΘΙΟ ΑΡΙΣΤΕΡΟ
5071B-LFG2-E00
19,63 €
14 ΛΑΣΤΙΧΟ ΟΠ.ΜΑΡΣΠΙΕ ΔΕΞΙΑ
50720-LBA2-E00
4,59 €
15 ΛΑΣΤΙΧΟ ΟΠ.ΜΑΡΣΠΙΕ ΑΡΙΣΤ.
50730-LBA2-E00
4,59 €
16 ΣΤΗΡΙΓΜΑ ΕΜΠΡΟΣΘΙΑΣ ΠΟΔΙΑΣ
64315-LGR2-E01
167,02 €
17 ΒΙΔΑ 10*275
90101-KNBN-200
6,70 €
18 ΒΙΔΑ 12*59
90106-KHE7-E00
3,60 €
19 ΒΙΔΑ 6*12
90114-KED9-900
1,92 €
20 ΠΑΞΙΜΑΔΙ 10mm
90304-GHE8-004
1,92 €
21 ΠΑΞΙΜΑΔΙ 10mm
90304-LBD4-900
1,92 €
22 ΠΑΞΙΜΑΔΙ 6mm
94050-06080
1,92 €
23 ΡΟΔΕΛΑ ΠΕΙΡΟΥ ΟΠΙΣΘΙΟΥ ΜΑΡΣΠΙΕ
94101-06000
1,92 €
24 ΡΟΔΕΛΑ 10.5*38*3.0
94101-LBA2-E00
1,33 €
25 ΡΟΔΕΛΑ 38*12.5*3
94102-LBA2-E00
1,33 €
26 ΑΣΦΑΛΕΙΑ 1.6*15
94201-16150
1,93 €
27 ΒΙΔΑ 6*12
95701-06012-08
2,00 €
28 ΒΙΔΑ 8*12
95701-08012-08
1,60 €
29 ΒΙΔΑ ΣΧΑΡΑΣ 8*45
95701-08045-07
1,93 €
30 ΜΠΙΛΙΕΣ ΠΙΡΟΥΝΙΟΥ #8
96211-08000
0,80 €

Γρήγορη Επισκόπηση

XCITING 300Ri MMC-ΣΚΕΛΕΤΟΣ-ΒΑΣΗ ΚΙΝΗΤΗΡΑ

Λεπτομέρειες

XCITING 300Ri MMC-ΣΚΕΛΕΤΟΣ-ΒΑΣΗ ΚΙΝΗΤΗΡΑ