Τηλ 2310249229 | info@mtsmoto.gr

Φιλίππου 72 & Ιασωνίδη Λεωνίδα, 54635 Θεσσαλονίκη

0 - Item

Δεν υπάρχουν προϊόντα στο Καλάθι Αγορών σας!

Μερικό Σύνολο: 0,00 €

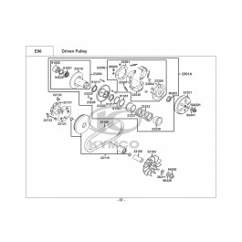
AGILITY 16+ 150i ABS-ΚΑΜΠΑΝΑ-ΣΙΑΓΩΝΕΣ ΦΥΓΟΚΕΝΤΡΙΚΟΥ

AGILITY 16+  150i ABS-ΚΑΜΠΑΝΑ-ΣΙΑΓΩΝΕΣ ΦΥΓΟΚΕΝΤΡΙΚΟΥ

Περισσοτερες Οψεις

Α/Α Όνομα Τιμή Ποσ.
1 ΑΜΠΡΑΓΙΑΖ (ΚΑΜΠΑΝΑ)
22101-LCD3-C00
25,27 €
2 ΗΜΙΤΡΟΧΑΛΙΑ ΜΕ ΕΞ/ΚΑ ΠΤΕΡΥΓΙΑ
22102-KUDU-E80
16,74 €
3 ΠΕΙΡΟΣ ΗΜΙΤΡΟΧΑΛΙΑΣ ΒΑΡΙΑΤΟΡ
22105-LGS6-E10
8,70 €
4 ΗΜΙΤΡΟΧΑΛΙΑ ΒΑΡΙΑΤΟΡ
22110-KUDU-E80
22,96 €
5 ΔΑΚΤΥΛΙΔΙΑ ΒΑΡ.(SΕΤ/6)
22121-GFY6-325
18,03 €
6 ΒΑΣΗ (ΚΑΠΑΚΙΟΥ) ΒΑΡΙΑΤΟΡ
22131-GFY6-901
11,73 €
7 ΟΔΗΓΟΣ ΒΑΡΙΑΤΟΡ (SET 3TMX)
22132-KBN2-315
4,70 €
8 ΒΑΣΗ ΚΟΜΠΛΕΡ ΜΕ ΣΙΑΓΩΝΕΣ
22300-LCD4-C00
63,86 €
9 ΒΑΣΗ ΣΙΑΓ.ΚΟΜΠΛΕΡ Α
22350-GFY6-90A
9,16 €
10 ΒΑΣΗ ΕΛΑΤΗΡΙΩΝ ΔΙΣΚΩΝ
22361-KGN7-671
3,28 €
11 ΛΑΣΤΙΧΑΚΙ ΣΙΑΓ.ΚΟΜΠ.
22804-GBB2-001
1,92 €
12 ΚΟΜΠΛΕΡ ΟΠΙΣΘΙΟ ΚΟΜΠΛΕ
2301A-LCD4-C00
173,42 €
13 ΙΜΑΝΤΑΣ ΚΙΝΗΣΗΣ
23100-LCD4-E0A
45,00 €
14 ΗΜΙΤΡΟΧΑΛΙΑ ΟΠΙΣΘΙA ΣΤΑΘΕΡΗ
23200-GFY6-C00
76,00 €
15 ΗΜΙΤΡΟΧΑΛΙΑ ΟΠΙΣΘΙA ΣΤΑΘΕΡΗ
23210-GFY6-C00
35,03 €
16 ΗΜΙΤΡΟΧΑΛΙΑ ΚΙΝΗΤΗ ΟΠΙΣΘΙA
23220-KFBF-900
42,90 €
17 ΟΔΗΓΟΣ(ΠΕΙΡΟΣ)ΤΡΟΧΑΛ.ΟΠ.ΚΟΜΠΛΕΡ
23225-GHC8-004
1,04 €
18 ΟΔΗΓΟΣ ΤΡΟΧΑΛΙΑΣ ΟΠ.ΚΟΜΠ.
23226-GHC8-004
1,04 €
19 ΕΛΑΤΗΡΙΟ ΟΠΙΣΘΙΟΥ ΚΟΜΠΛΕΡ ΜΕΓΑΛΟ
23233-GCW3-011
9,31 €
20 ΚΟΛΑΡΟ ΚΙΝ.ΗΜ/ΛΙΑΣ ΚΟΜΠ.
23237-GFY6-941
5,03 €
21 ΚΟΛΑΡΟ ΕΛΑΤ.ΚΟΜΠ.
23238-GFY6-941
4,39 €
22 ΡΟΔΕΛΑ 15,1*24*5
28211-LGK2-C00
2,28 €
23 ΠΑΞΙΜΑΔΙ ΚΟΜΠ.Κ.28mm
90202-1G87-001
2,80 €
24 ΡΟΔΕΛΑ ΕΣ/ΚΕΣ 12mm
90426-KNBN-901
1,92 €
25 ΡΟΔΕΛΑ ΗΜ/ΛΙΑΣ ΕΞ.ΠΤΕΡ.
90441-GFY6-941
1,92 €
26 ΑΣΦΑΛΕΙΑ ΣΙΑΓΩΝΩΝ ΚΟΜΠΛ.
90605-1F66-721
1,04 €
27 ΡΟΥΛΕΜΑΝ ΚΟΜΠΛΕΡ ΜΑΚ.
91001-GFY6-90A
12,91 €
28 ΡΟΥΛΕΜΑΝ 6902U
91002-GGA7-70A
12,28 €
29 ΤΣΙΜΟΥΧΑ ΚΟΜΠΛΕΡ 34*41*4
91211-KEBE-900
6,70 €
30 ΛΑΣΤΙΧΑΚΙ ΚΟΜΠΛ.
91351-6B42-000
1,92 €
31 ΠΑΞΙΜΑΔΙ 12mm
94001-12280-0S
1,93 €
32 ΠΑΞΙΜΑΔΙ ΒΟΛΑΝ
94050-12080
1,28 €
33 ΑΣΦΑΛΕΙΑ ΚΟΜΠΛΕΡ 28mm
94520-28000
1,72 €

Γρήγορη Επισκόπηση

AGILITY 16+ 150i ABS-ΚΑΜΠΑΝΑ-ΣΙΑΓΩΝΕΣ ΦΥΓΟΚΕΝΤΡΙΚΟΥ

Λεπτομέρειες

AGILITY 16+ 150i ABS-ΚΑΜΠΑΝΑ-ΣΙΑΓΩΝΕΣ ΦΥΓΟΚΕΝΤΡΙΚΟΥ