Τηλ 2310249229 | info@mtsmoto.gr

Φιλίππου 72 & Ιασωνίδη Λεωνίδα, 54635 Θεσσαλονίκη

0 - Item

Δεν υπάρχουν προϊόντα στο Καλάθι Αγορών σας!

Μερικό Σύνολο: 0,00 €

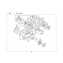
PEOPLE 125 S E3-ΙΜΑΝΤΑΣ ΚΙΝΗΣΗΣ ΗΜΙΤΡΟΧΑΛΙΕΣ

PEOPLE 125 S E3-ΙΜΑΝΤΑΣ ΚΙΝΗΣΗΣ ΗΜΙΤΡΟΧΑΛΙΕΣ

Περισσοτερες Οψεις

Α/Α Όνομα Τιμή Ποσ.
1 ΑΜΠΡΑΓΙΑΖ (ΚΑΜΠΑΝΑ)
22101-LCD3-E00
38,85 €
2 ΗΜΙΤΡΟΧΑΛΙΑ ΜΕ ΕΞ/ΚΑ ΠΤΕΡΥΓΙΑ
22102-KUDU-220
20,09 €
3 ΠΕΙΡΟΣ ΔΑΚΤ.ΒΑΡΙΑΤΟΡ
22105-GFY6-220
8,38 €
4 ΗΜΙΤΡΟΧΑΛΙΑ ΒΑΡΙΑΤΟΡ
22110-KUDU-220
20,89 €
5 ΔΑΚΤΥΛΙΔΙ ΠΕΙΡΟΥ ΒΑΡΙΑΤΟΡ
22112-GFY6-90A
2,61 €
6 ΒΑΣΗ (ΚΑΠΑΚΙΟΥ) ΒΑΡΙΑΤΟΡ
22131-GFY6-901
11,73 €
7 ΟΔΗΓΟΣ ΒΑΡΙΑΤΟΡ (SET 3TMX)
22132-KBN2-315
4,70 €
8 ΒΑΣΗ ΚΟΜΠΛΕΡ ΜΕ ΣΙΑΓΩΝΕΣ
22300-LHJ3-900
108,70 €
9 ΒΑΣΗ ΣΙΑΓ.ΚΟΜΠΛΕΡ Α
22350-GFY6-90A
9,16 €
10 ΒΑΣΗ ΕΛΑΤΗΡΙΩΝ ΔΙΣΚΩΝ
22361-KGN7-671
3,28 €
11 ΕΛΑΤΗΡΙΟ ΔΙΣΚΩΝ
22401-LCD4-E00
1,93 €
12 ΛΑΣΤΙΧΑΚΙ ΣΙΑΓ.ΚΟΜΠ.
22804-GBB2-001
1,92 €
13 ΙΜΑΝΤΑΣ ΚΙΝΗΣΗΣ
23100-KEC4-900
31,88 €
14 ΗΜΙΤΡΟΧΑΛΙΑ ΟΠΙΣΘΙA ΣΤΑΘΕΡΗ
23200-GFY6-901
76,00 €
15 ΗΜΙΤΡΟΧΑΛΙΑ ΚΙΝΗΤΗ ΟΠΙΣΘΙA
23220-GFY6-921
46,30 €
16 ΟΔΗΓΟΣ(ΠΕΙΡΟΣ)ΤΡΟΧΑΛ.ΟΠ.ΚΟΜΠΛΕΡ
23225-GHC8-004
1,04 €
17 ΟΔΗΓΟΣ ΤΡΟΧΑΛΙΑΣ ΟΠ.ΚΟΜΠ.
23226-GHC8-004
1,04 €
18 ΕΛΑΤΗΡΙΟ ΟΠΙΣΘΙΟΥ ΚΟΜΠΛΕΡ ΜΕΓΑΛΟ
23233-GCW3-011
9,31 €
19 ΚΟΛΑΡΟ ΚΙΝ.ΗΜ/ΛΙΑΣ ΚΟΜΠ.
23237-GFY6-941
5,03 €
20 ΚΟΛΑΡΟ ΕΛΑΤ.ΚΟΜΠ.
23238-GFY6-941
4,39 €
21 ΓΡΑΝΑΖΙ ΜΑΝΙΒΕΛΑΣ-ΑΣΦΑΛ.
28211-KUDU-900
8,70 €
22 ΠΑΞΙΜΑΔΙ ΚΟΜΠ.Κ.28mm
90202-1G87-001
2,80 €
23 ΡΟΔΕΛΑ ΕΣ/ΚΕΣ 12mm
90426-KNBN-901
1,92 €
24 ΡΟΔΕΛΑ ΗΜ/ΛΙΑΣ ΕΞ.ΠΤΕΡ.
90441-GFY6-941
1,92 €
25 ΑΣΦΑΛΕΙΑ ΣΙΑΓΩΝΩΝ ΚΟΜΠΛ.
90605-1F66-721
1,04 €
26 ΡΟΥΛΕΜΑΝ ΚΟΜΠΛΕΡ ΜΑΚ.
91001-GFY6-90A
12,91 €
27 ΡΟΥΛΕΜΑΝ 6902U
91002-GGA7-70A
12,28 €
28 ΤΣΙΜΟΥΧΑ ΚΟΜΠΛΕΡ 34*41*4
91211-KEBE-900
6,70 €
29 ΛΑΣΤΙΧΑΚΙ ΚΟΜΠΛ.
91351-6B42-000
1,92 €
30 ΠΑΞΙΜΑΔΙ ΒΟΛΑΝ
94050-12080
1,28 €
31 ΑΣΦΑΛΕΙΑ ΚΟΜΠΛΕΡ 28mm
94520-28000
1,72 €

Γρήγορη Επισκόπηση

PEOPLE 125 S E3-ΙΜΑΝΤΑΣ ΚΙΝΗΣΗΣ ΗΜΙΤΡΟΧΑΛΙΕΣ

Λεπτομέρειες

PEOPLE 125 S E3-ΙΜΑΝΤΑΣ ΚΙΝΗΣΗΣ ΗΜΙΤΡΟΧΑΛΙΕΣ