Τηλ 2310249229 | info@mtsmoto.gr

Φιλίππου 72 & Ιασωνίδη Λεωνίδα, 54635 Θεσσαλονίκη

0 - Item

Δεν υπάρχουν προϊόντα στο Καλάθι Αγορών σας!

Μερικό Σύνολο: 0,00 €

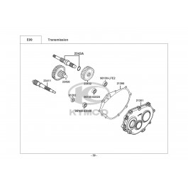
LIKE II 125i CBS E4-ΔΙΑΦΟΡΙΚΟ (ΓΡΑΝΑΖΙΑ ΜΕΙΩΤΗΡΑ)

LIKE II 125i CBS E4-ΔΙΑΦΟΡΙΚΟ (ΓΡΑΝΑΖΙΑ ΜΕΙΩΤΗΡΑ)

Περισσοτερες Οψεις

Α/Α Όνομα Τιμή Ποσ.
1 ΚΑΠΑΚΙ ΔΙΑΦΟΡΙΚΟΥ
21301-LFB5-C00
78,32 €
2 ΦΛΑΝΤΖΑ ΚΑΠΑΚΙΟΥ ΔΙΑΦΟΡΙΚΟΥ
21395-LFB5-C00
5,35 €
3 ΑΞΟΝΑΣ ΚΟΜΠΛΕΡ
23411-LFB5-C00
66,79 €
4 ΓΡΑΝΑΖΙ ΔΙΑΦΟΡΙΚΟΥ ΔΙΠΛΟ
23420-LGH5-C00
91,16 €
5 ΓΡΑΝΑΖΙ ΑΞΟΝΑ ΚΙΝΗΣΗΣ
23432-LGH5-C00
43,62 €
6 ΑΞΟΝΑΣ ΚΙΝΗΣΗΣ
2343A-LFB5-C00
57,12 €
7 ΤΣΙΜΟΥΧΑ 22*32*6
91202-LFE2-C00
7,39 €
8 ΡΟΥΛΕΜΑΝ 6202
96100-62020-00
5,92 €
9 ΡΟΥΛΕΜΑΝ 6303
96100-63030-00
10,05 €
10 ΡΟΥΛΕΜΑΝ ΤΒΜ2/22CC4
96100-LFE2-900
37,31 €
11 ΡΟΥΛΕΜΑΝ
96100-LFE2-C00
25,27 €

Γρήγορη Επισκόπηση

LIKE II 125i CBS E4-ΔΙΑΦΟΡΙΚΟ (ΓΡΑΝΑΖΙΑ ΜΕΙΩΤΗΡΑ)

Λεπτομέρειες

LIKE II 125i CBS E4-ΔΙΑΦΟΡΙΚΟ (ΓΡΑΝΑΖΙΑ ΜΕΙΩΤΗΡΑ)