Τηλ 2310249229 | info@mtsmoto.gr

Φιλίππου 72 & Ιασωνίδη Λεωνίδα, 54635 Θεσσαλονίκη

0 - Item

Δεν υπάρχουν προϊόντα στο Καλάθι Αγορών σας!

Μερικό Σύνολο: 0,00 €

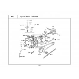
GRAND DINK 125 E2-ΣΤΡΟΦΑΛΟΣ-ΚΥΛΙΝΔΡΟΣ-ΠΙΣΤΟΝΙ

GRAND DINK 125 E2-ΣΤΡΟΦΑΛΟΣ-ΚΥΛΙΝΔΡΟΣ-ΠΙΣΤΟΝΙ

Περισσοτερες Οψεις

Α/Α Όνομα Τιμή Ποσ.
1 ΣΤΗΡΙΓΜΑ ΟΠ.ΜΑΡΚΟΥΤΣΙΟΥ Α
11384-KHE7-900
1,92 €
2 ΚΥΛΙΝΔΡΟΣ
12100-KKC1-900
173,31 €
3 ΦΛΑΝΤΖΑ ΒΑΣΗΣ ΚΥΛΙΝΔΡΟΥ
12191-LEA5-E00
4,74 €
4 ΣΤΡΟΦΑΛΟΣ
13000-KKC2-900
251,48 €
5 ΕΛΑΤΗΡΙΑ ΠΙΣΤΟΝΙΟΥ
13011-GFY6-90B
23,71 €
6 ΠΙΣΤΟΝΙ SΤD
13101-KED1-900
21,82 €
7 ΠΕΙΡΟΣ ΠΙΣΤΟΝΙOY
13111-3D84-001
4,04 €
8 ΚΑΔΕΝΑ ΕΚΚΕΝΤΡΟΦΟΡΟΥ
14401-KUDU-90C
28,69 €
9 ΤΕΝΤΩΤΗΡΑΣ ΚΑΔΕΝΑΣ ΕΚΚΕΝΤΡΟΦΟΡΟΥ
14510-KEBE-900
23,69 €
10 ΤΕΝΤΩΤΗΡΑΣ ΚΑΔΕΝΑΣ ΕΚΚΕΝΤΡΟΦΟΡΟΥ
14550-KDS4-00B
25,31 €
11 ΕΛΑΤΗΡΙΟ ΤΕΝΤΩΤΗΡΑ(ΡΥΘΜ.)ΚΑΔ.ΕΚΚ.
14554-KAM1-004
1,85 €
12 ΦΛΑΝΤΖΑ ΤΕΝΤΩΤΗΡΑ ΚΑΔΕΝΑΣ
14555-KKJ9-E90
1,93 €
13 ΦΛΑΝΤΖΑ ΤΕΝΤΩΤΗΡΑ ΚΑΔΕΝΑΣ
14555-LBA2-E00
3,60 €
14 ΒΙΔΑ ΤΕΝΤ.(ΡΥΘΜΙΣΤΗ) ΚΑΔΕΝΑ ΕΚΚ
14560-KGBG-900
0,00 €
15 ΟΔΗΓΟΣ ΚΑΔΕΝΑΣ ΕΚΚΕΝΤΡΟΦΟΡΟΥ
14610-KKJ9-001
11,40 €
16 ΣΩΛΗΝΑΣ ΝΕΡΟΥ ΚΥΛΙΝΔΡΟΥ (Β)
19502-KEBE-900
4,74 €
17 ΡΟΔΕΛΑ 8*16*1,6
90421-KAM1-004
1,92 €
18 ΣΦΗΝΑ 25*14*4
90701-HFB6-011
1,93 €
19 ΠΕΙΡΟΣ ΚΕΦ.ΚΥΛ.
94301-10160
1,33 €
20 ΑΣΦΑΛΕΙΑ ΠΙΣΤΟΝΙΟΥ
94601-15000
1,58 €
21 ΒΙΔΑ 6*18
96001-06018-08
0,84 €

Γρήγορη Επισκόπηση

GRAND DINK 125 E2-ΣΤΡΟΦΑΛΟΣ-ΚΥΛΙΝΔΡΟΣ-ΠΙΣΤΟΝΙ

Λεπτομέρειες

GRAND DINK 125 E2-ΣΤΡΟΦΑΛΟΣ-ΚΥΛΙΝΔΡΟΣ-ΠΙΣΤΟΝΙ