Τηλ 2310249229 | info@mtsmoto.gr

Φιλίππου 72 & Ιασωνίδη Λεωνίδα, 54635 Θεσσαλονίκη

0 - Item

Δεν υπάρχουν προϊόντα στο Καλάθι Αγορών σας!

Μερικό Σύνολο: 0,00 €

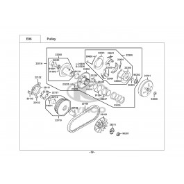
B&W 125 E2-ΙΜΑΝΤΑΣ ΚΙΝΗΣΗΣ ΗΜΙΤΡΟΧΑΛΙΕΣ

B&W 125 E2-ΙΜΑΝΤΑΣ ΚΙΝΗΣΗΣ ΗΜΙΤΡΟΧΑΛΙΕΣ

Περισσοτερες Οψεις

Α/Α Όνομα Τιμή Ποσ.
1 ΑΜΠΡΑΓΙΑΖ (ΚΑΜΠΑΝΑ)
22101-KEBE-900
42,02 €
2 ΗΜΙΤΡΟΧΑΛΙΑ ΜΕ ΕΞ/ΚΑ ΠΤΕΡΥΓΙΑ
22102-KEBE-900
21,77 €
3 ΠΕΙΡΟΣ ΗΜΙΤΡΟΧΑΛΙΑΣ ΒΑΡIΑΤΟΡ
22105-KHD4-E00
11,73 €
4 ΗΜΙΤΡΟΧΑΛΙΑ ΒΑΡΙΑΤΟΡ
22110-KEBE-900
29,49 €
5 ΔΑΚΤΥΛΙΔΙ ΠΕΙΡΟΥ ΒΑΡΙΑΤΟΡ
22112-KAAA-900
2,61 €
6 ΔΑΚΤΥΛΙΔΙΑ ΒΑΡ.(SΕΤ/6)
22121-KEBE-305
18,03 €
7 ΒΑΣΗ (ΚΑΠΑΚΙΟΥ) ΒΑΡΙΑΤΟΡ
22131-KAAA-900
8,84 €
8 ΟΔΗΓΟΣ ΒΑΡΙΑΤΟΡ (SET 3TMX)
22132-KGN7-305
1,50 €
9 ΒΑΣΗ ΕΛΑΤΗΡΙΩΝ ΔΙΣΚΩΝ
22361-KGN7-671
3,28 €
10 ΛΑΣΤΙΧΑΚΙ ΣΙΑΓ.ΚΟΜΠ.
22804-GBB2-001
1,92 €
11 ΙΜΑΝΤΑΣ ΚΙΝΗΣHΣ (ΝΕW)
23100-KKC2-900
38,50 €
12 ΗΜΙΤΡΟΧΑΛΙΑ ΟΠΙΣΘΙA ΣΤΑΘΕΡΗ
23200-KEBE-900
72,16 €
13 ΗΜΙΤΡΟΧΑΛΙΑ ΚΙΝΗΤΗ ΟΠΙΣΘΙA
23220-KGN7-671
51,34 €
14 ΟΔΗΓΟΣ(ΠΕΙΡΟΣ)ΤΡΟΧΑΛ.ΟΠ.ΚΟΜΠΛΕΡ
23225-GHC8-004
1,04 €
15 ΟΔΗΓΟΣ ΤΡΟΧΑΛΙΑΣ ΟΠ.ΚΟΜΠ.
23226-GHC8-004
1,04 €
16 ΕΛΑΤΗΡΙΟ ΟΠΙΣΘΙΟΥ ΚΟΜΠΛΕΡ ΜΕΓΑΛΟ
23233-KGN7-671
13,87 €
17 ΚΟΛΑΡΟ ΚΙΝ.ΗΜ/ΛΙΑΣ ΟΠ.ΚΟΜΠ.
23237-KHG8-901
5,49 €
18 ΓΡΑΝΑΖΙ ΜΑΝΙΒ-ΑΣΦΑΛΕΙΑ
28211-KFC8-900
10,05 €
19 ΠΑΞΙΜΑΔΙ ΑΜΠΡΑΓΙΑΖ
90201-PHB8-001
1,92 €
20 ΠΑΞΙΜΑΔΙ ΚΑΜΠΑΝΑΣ 28mm
90202-KGN7-671
3,60 €
21 ΑΣΦΑΛΕΙΑ ΣΙΑΓΩΝΩΝ ΚΟΜΠΛ.
90605-1F66-721
1,04 €
22 ΡΟΥΛΕΜΑΝ ΚΟΜΠΛΕΡ ΜΑΚ.
91001-GFY6-90A
12,91 €
23 ΡΟΥΛΕΜΑΝ 6902U
91002-GGA7-70A
12,28 €
24 ΤΣΙΜΟΥΧΑ ΚΟΜΠΛΕΡ 34*41*4
91211-KEBE-900
6,70 €
25 ΛΑΣΤΙΧΑΚΙ ΚΟΜΠΛΕΡ
91384-KEBE-900
1,93 €
26 ΠΑΞΙΜΑΔΙ ΒΟΛΑΝ
94050-12080
1,28 €
27 ΑΣΦΑΛΕΙΑ ΚΟΜΠΛΕΡ 28mm
94520-28000
1,72 €
28 ΑΣΦΑΛΕΙΑ ΠΙΣΤΟΝΙΟΥ 33mm
94601-33000
0,57 €

Γρήγορη Επισκόπηση

B&W 125 E2-ΙΜΑΝΤΑΣ ΚΙΝΗΣΗΣ ΗΜΙΤΡΟΧΑΛΙΕΣ

Λεπτομέρειες

B&W 125 E2-ΙΜΑΝΤΑΣ ΚΙΝΗΣΗΣ ΗΜΙΤΡΟΧΑΛΙΕΣ