Τηλ 2310249229 | info@mtsmoto.gr

Φιλίππου 72 & Ιασωνίδη Λεωνίδα, 54635 Θεσσαλονίκη

0 - Item

Δεν υπάρχουν προϊόντα στο Καλάθι Αγορών σας!

Μερικό Σύνολο: 0,00 €

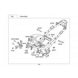
SPIKE 125R-ΣΚΕΛΕΤΟΣ-ΒΑΣΗ ΚΙΝΗΤΗΡΑ

SPIKE 125R-ΣΚΕΛΕΤΟΣ-ΒΑΣΗ ΚΙΝΗΤΗΡΑ

Περισσοτερες Οψεις

Α/Α Όνομα Τιμή Ποσ.
1 ΛΑΣΤΙΧΟ ΚΡΑΔΑΣΜΩΝ
17247-3C03-001
1,33 €
2 ΠΟΤΗΡΙ ΣΚΕΛΕΤΟΥ ΑΝΩ
50301-KGN7-671
4,70 €
3 ΠΟΤΗΡΙ ΣΚΕΛΕΤΟΥ ΚΑΤΩ
50302-2H68-011
5,49 €
4 ΣΤΗΡΙΓΜΑ ΕΜΠΡΟΣΘΙΟ ΣΚΕΛΕΤΟΥ
64315-KGC4-E00
24,42 €
5 ΛΑΣΤΙΧΟ ΘΗΚΗΣ ΦΙΛΤΡΟΥ ΚΑΠΑΚ.
83551-KKAK-900
1,33 €
6 ΒΙΔΑ 10*125
90105-KGC4-E00
3,94 €
7 ΒΙΔΑ 10*105
90106-KGC4-E00
3,09 €
8 ΠΑΞΙΜΑΔΙ 10mm
90304-GHE8-004
1,92 €
9 ΒΙΔΑ 6*16
95701-06016-08
0,84 €

Γρήγορη Επισκόπηση

SPIKE 125R-ΣΚΕΛΕΤΟΣ-ΒΑΣΗ ΚΙΝΗΤΗΡΑ

Λεπτομέρειες

SPIKE 125R-ΣΚΕΛΕΤΟΣ-ΒΑΣΗ ΚΙΝΗΤΗΡΑ