Τηλ 2310249229 | info@mtsmoto.gr

Φιλίππου 72 & Ιασωνίδη Λεωνίδα, 54635 Θεσσαλονίκη

0 - Item

Δεν υπάρχουν προϊόντα στο Καλάθι Αγορών σας!

Μερικό Σύνολο: 0,00 €

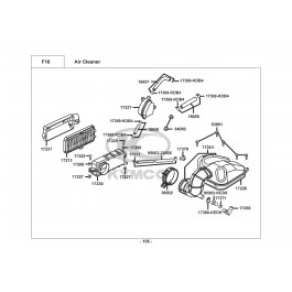
VENOX 250-ΦΙΛΤΡΟΚΟΥΤΙ

VENOX 250-ΦΙΛΤΡΟΚΟΥΤΙ

Περισσοτερες Οψεις

Α/Α Όνομα Τιμή Ποσ.
1 ΔΑΚΤΥΛΙΔΙ ΚΕΝΤΡ.ΦΙΛΤΡ.ΑΕΡΟΣ
17208-GAR1-011
2,06 €
2 ΚΑΠΑΚΙ ΦΙΛΤΡΟΥ ΑΕΡΑ ΕΣΩΤΕΡΙΚΟ
17231-KED9-900
2,84 €
3 ΤΕΠΟΖΙΤΟ ΣΥΓΚΡΑΤΙΣΗΣ ΛΑΔ.ΦΙΛ.ΑΕΡ.
17237-KED9-900
4,44 €
4 ΚΛΙΠ ΣΩΛΗΝΑ ΑΝΑΠΝ.
17369-KDB4-671
1,93 €
5 ΤΑΠΑ ΣΩΛΗΝΑ ΑΝΑΠΝ.
17370-4K19-701
1,33 €
6 ΚΛΙΠ ΣΩΛΗΝΑ ΑΝΑΠΝ.
17371-1D74-671
0,80 €
7 ΒΙΔΑ 5*25
93891-05025-06
1,92 €
8 ΠΑΞΙΜΑΔΙ 6mm
94050-06080
1,92 €

Γρήγορη Επισκόπηση

VENOX 250-ΦΙΛΤΡΟΚΟΥΤΙ

Λεπτομέρειες

VENOX 250-ΦΙΛΤΡΟΚΟΥΤΙ