Τηλ 2310249229 | info@mtsmoto.gr

Φιλίππου 72 & Ιασωνίδη Λεωνίδα, 54635 Θεσσαλονίκη

0 - Item

Δεν υπάρχουν προϊόντα στο Καλάθι Αγορών σας!

Μερικό Σύνολο: 0,00 €

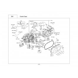
MXU 550i (4X4 / IRS) EURO 4-ΚΑΡΤΕΡ

MXU 550i (4X4 / IRS) EURO 4-ΚΑΡΤΕΡ

Περισσοτερες Οψεις

Α/Α Όνομα Τιμή Ποσ.
1 ΚΑΠΑΚΙ ΚΑΡΤΕΡ ΔΕΞΙΟ
1110A-LDB5-E00
711,23 €
2 ΚΑΠΑΚΙ ΚΑΡΤΕΡ ΔΕΞΙΟ ΜΙΚΡΟ ΕΞΩΤΕΡΙΚΟ
1119A-LDB5-E00
33,42 €
3 ΚΑΠΑΚΙ ΚΑΡΤΕΡ ΑΡΙΣΤΕΡΟ ΕΞΩΤΕΡΙΚΟ ΜΑΥΡΟ Ver.4
11341-LDB5-E00-NEA
197,88 €
4 ΦΛΑΝΤΖΑ ΑΡΙΣΤΕΡΟΥ ΚΑΠΑΚΙΟΥ ΚΑΡΤΕΡ
11395-LDB5-E00
18,02 €
5 ΦΛΑΝΤΖΑ ΔΕΞΙΟΥ ΚΑΠΑΚΙΟΥ ΚΑΡΤΕΡ
11496-LDB5-E00
5,26 €
6 ΤΑΠΑ ΕΞΟΔΟΥ ΛΑΔΙΟΥ
12361-GFY6-901
2,60 €
7 ΒΑΛΒΙΔΑ ΑΝΤΛΙΑΣ ΛΑΔΙΟΥ
15200-KED9-900
25,31 €
8 ΦΙΛΤΡΟ ΛΑΔΙΟΥ
1541A-LBA2-E00
17,14 €
9 ΦΙΛΤΡΟ ΛΑΔΙΟΥ-ΣΙΤΑ
15421-1G07-001
3,25 €
10 ΕΞΑΡΤΗΜΑ ΦΙΛΤΡΟΥ ΛΑΔΙΟΥ
15421-LBA2-E00
8,05 €
11 ΕΛΑΤΗΡΙΟ ΤΑΠΑΣ ΕΞΟΔΟΥ ΛΑΔΙΟΥ
15426-GAE1-921
1,93 €
12 ΠΙΠΑ ΛΑΔΙΟΥ
15520-LDB5-E00
23,60 €
13 ΔΕΙΚΤΗΣ ΣΤΑΘΜ.ΛΑΔ.(ΤΖΑΜΑΚΙ)
15661-LBA7-900
8,38 €
14 ΒΙΔΑ ΑΓΩΓΟΥ ΛΑΔΙΟΥ
2362A-LDB5-E00
9,39 €
15 ΑΙΣΘΗΤΗΡΑΣ ΤΑΧΥΜΕΤΡΟΥ
31350-LDB5-E0A
74,87 €
16 ΔΙΑΚΟΠΤΗΣ ΑΛΛΑΓΗΣ ΤΑΧ/ΤΩΝ
35759-LDB5-E00
45,30 €
17 ΒΙΔΑ ΕΞΩΤ.ΠΛΑΚΑΣ ΜΙΖΑΣ 6*12
90001-GFY6-901
1,33 €
18 ΒΙΔΑ ΑΡΙΣΤΕΡΟΥ ΕΞΩΤ.ΚΑΠ.ΚΑΡΤ.
9000A-KTDT-900
2,80 €
19 ΡΟΔΕΛΑ
90133-LDB5-E00
2,02 €
20 ΠΑΞΙΜΑΔΙ 85mm
90243-LDB5-E00
58,48 €
21 ΡΟΔΕΛΑ ΣΩΛΗΝΑ ΨΥΓΕΙΟΥ ΛΑΔ.
90407-LBA2-E00
3,09 €
22 ΒΑΣΗ-ΛΑΜΑΚΙ ΡΟΥΛΕΜΑΝ
90441-LDB5-E00
2,46 €
23 ΒΑΣΗ ΚΑΠΑΚΙΟΥ ΚΑΡΤΕΡ ΔΕΞ.ΜΙΚΡΟ ΕΞ.
90443-LDB5-E00
2,42 €
24 ΡΟΔΕΛΑ 8mm
90465-MDC4-001
1,92 €
25 ΒΙΔΑ ΑΠΟΣΤΡΑΓΓΙΣΗΣ ΛΑΔΙΟΥ
9052A-LDB5-E00
4,28 €
26 ΠΕΙΡΟΣ 10*16
90701-9E65-001
1,92 €
27 ΕΛΑΤΗΡΙΟ ΣΤΟΠ
90750-LDB5-E00
2,02 €
28 ΡΟΥΛΕΜΑΝ 6305
91001-KHV8-004
13,71 €
29 ΡΟΥΛΕΜΑΝ 6205
91005-LDB5-E00
10,74 €
30 ΤΣΙΜΟΥΧΑ 14*24*7
91206-LDB5-E00
3,76 €
31 ΤΣΙΜΟΥΧΑ 35*67*7
91255-LDB5-E00
15,78 €
32 ΤΣΙΜΟΥΧΑ 35*90*7
91256-LDB5-E00
23,89 €
33 ΤΣΙΜΟΥΧΑ 30*72*8
91261-LDB5-E00
21,04 €
34 ΛΑΣΤΙΧΑΚΙ ΤΑΠΑΣ ΡΕΓ.
91302-0A01-021
1,04 €
35 ΛΑΣΤΙΧΑΚΙ 15.5*1.5
91313-KED9-900
1,92 €
36 ΠΕΙΡΟΣ ΑΡ.ΚΑΠ.ΚΑΡΤ.
94301-08140
1,33 €
37 ΑΣΦΑΛΕΙΑ 65mm
94520-65000
3,76 €
38 ΒΙΔΑ SH 6*12
96001-06012-06
1,92 €
39 ΒΙΔΑ 6*25
96001-06025-06
1,92 €
40 ΡΟΥΛΕΜΑΝ ΣΤΡΟΦΑΛΟΥ 6204
96100-62040-00
9,41 €
41 ΡΟΥΛΕΜΑΝ 6303
96100-63030-00
10,05 €
42 ΡΟΥΛΕΜΑΝ 6304
96100-63040-00
10,84 €
43 ΡΟΥΛΕΜΑΝ 6306
96100-63060-00
18,82 €
44 ΡΟΥΛΕΜΑΝ 6405
96100-64050-00
107,03 €
45 ΡΟΥΛΕΜΑΝ
96106-LDB5-E00
11,38 €
46 ΡΟΥΛΕΜΑΝ
96107-LDB5-E00
51,90 €
47 ΜΠΙΛΙΑ ΒΑΛΒΙΔΑΣ ΕΚΤΟΝΩΣΗΣ ΛΑΔΙΟΥ
96211-16000
1,72 €
48 ΒΙΔΑ ΕΞ/ΚΗΣ ΠΛΑΚΑΣ ΜΙΖΑΣ
96600-08010-16
3,76 €
49 ΒΙΔΑ 8*20 ΑΛΕΝ
96600-LDB5-E00
3,76 €

Γρήγορη Επισκόπηση

MXU 550i (4X4 / IRS) EURO 4-ΚΑΡΤΕΡ

Λεπτομέρειες

MXU 550i (4X4 / IRS) EURO 4-ΚΑΡΤΕΡ