Τηλ 2310249229 | info@mtsmoto.gr

Φιλίππου 72 & Ιασωνίδη Λεωνίδα, 54635 Θεσσαλονίκη

0 - Item

Δεν υπάρχουν προϊόντα στο Καλάθι Αγορών σας!

Μερικό Σύνολο: 0,00 €

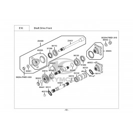
MXU 450i 4x4 ECO-ΑΞΟΝΑΣ ΕΜΠΡΟΣ ΔΙΑΦΟΡΙΚΟΥ

MXU 450i 4x4 ECO-ΑΞΟΝΑΣ ΕΜΠΡΟΣ ΔΙΑΦΟΡΙΚΟΥ

Περισσοτερες Οψεις

Α/Α Όνομα Τιμή Ποσ.
1 ΑΞΟΝΑΣ
23430-PWB1-900
140,07 €
2 ΑΞΟΝΑΣ ΚΙΝΗΣΗΣ ΕΜΠΡΟΣ
23431-PWB1-900
85,01 €
3 ΑΞΟΝΑΣ ΚΙΝΗΣΗΣ ΟΠΙΣΘ.
23441-PWB1-900
68,82 €
4 ΓΡΑΝΑΖΙ ΤΕΛΙΚΗΣ ΜΕΤΑΔΟΣΗΣ ΑΞΟΝΑ
23519-PWB1-900
75,53 €
5 ΛΑΣΤΙΧΟ ΚΡΟΥΣΗΣ ΑΞΟΝΑ ΚΙΝΗΣΗΣ ΕΝΔΙΑΜ.
40215-PWB1-900
1,39 €
6 ΑΞΟΝΑΣ ΕΜΠΡΟΣ ΔΙΑΦΟΡΙΚΟΥ
40401-PWB1-900
29,62 €
7 ΚΟΜΠΛΕΡ ΑΞΟΝΑ ΕΜΠΡΟΣ ΔΙΑΦΟΡΙΚΟΥ
4040A-PWB1-900
53,72 €
8 ΒΑΣΗ (ΕΝΩΣΗ) ΑΞΟΝΑ ΜΕΤΑΔΟΣΗΣ
40502-PRB2-900
59,68 €
9 ΦΥΣΟΥΝΑ ΑΞΟΝΑ ΜΕΤΑΔΟΣΗΣ ΕΜΠΡΟΣ
52102-PWB1-900
12,76 €
10 ΠΑΞΙΜΑΔΙ ΑΞΟΝΑ ΜΕΤΑΔ.22mm*1.5
90203-PWB1-900
7,01 €
11 ΠΑΞΙΜΑΔΙ ΑΞΟΝΑ ΜΕΤΑΔΟΣΗΣ 16mm*1.5
90204-PWB1-900
6,38 €
12 ΠΑΞΙΜΑΔΙ ΜΕΤΑΔΟΣΗΣ Μ16*1,5
90204-PWB1-910
7,50 €
13 ΠΡΟΣΘΗΚΗ (ΡΟΔΕΛΑ) 1.15ΜΜ
90342-PWB1-900
2,92 €
14 ΡΟΔΕΛΑ 22*34*2,5
90441-LBA2-E00
2,95 €
15 ΡΟΔΕΛΑ 16mm
90501-KNBN-901
2,44 €
16 ΤΣΙΜΟΥΧΑ 34*52*9
91256-PWB1-900
7,65 €
17 ΑΣΦΑΛΕΙΑ ΡΟΥΛΕΜΑΝ ΜΕΤΑΔΟΣΗΣ
94621-PWB1-900
2,00 €
18 ΣΦΥΚΤΗΡΑΣ ΦΥΣΟΥΝΑΣ ΑΞ.ΜΕΤΑΔ.
95111-PWB1-900
3,76 €
19 ΒΙΔΑ 8*20
95701-08020-06
1,93 €
20 ΡΟΥΛΕΜΑΝ ΑΞ.ΜΕΤΑΔ. 26*52*15
96110-PWB1-900
49,30 €
21 ΡΟΥΛΕΜΑΝ 25*52*20.6
96130-PWB1-900
99,89 €
22 ΡΟΥΛΕΜΑΝ 30*50*17
96140-PWB1-900
71,28 €

Γρήγορη Επισκόπηση

MXU 450i 4x4 ECO-ΑΞΟΝΑΣ ΕΜΠΡΟΣ ΔΙΑΦΟΡΙΚΟΥ

Λεπτομέρειες

MXU 450i 4x4 ECO-ΑΞΟΝΑΣ ΕΜΠΡΟΣ ΔΙΑΦΟΡΙΚΟΥ