Τηλ 2310249229 | info@mtsmoto.gr

Φιλίππου 72 & Ιασωνίδη Λεωνίδα, 54635 Θεσσαλονίκη

0 - Item

Δεν υπάρχουν προϊόντα στο Καλάθι Αγορών σας!

Μερικό Σύνολο: 0,00 €

MXU 450i 4x4 ECO-ΔΙΑΦΟΡΙΚΟ (ΓΡΑΝΑΖΙΑ ΜΕΙΩΤΗΡΑ)

MXU 450i 4x4 ECO-ΔΙΑΦΟΡΙΚΟ (ΓΡΑΝΑΖΙΑ ΜΕΙΩΤΗΡΑ)

Περισσοτερες Οψεις

Α/Α Όνομα Τιμή Ποσ.
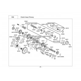
1 ΑΞΟΝΑΣ ΤΕΛΙΚΗΣ ΜΕΤΑΔΟΣΗΣ
23210-PWB1-900
174,02 €
2 ΑΞΟΝΑΣ ΕΝΔΙΑΜΕΣΟΣ ΟΠΙΣΘΕΝ
23230-PWB1-900
7,01 €
3 ΑΞΟΝΑΣ ΚΟΜΠΛΕΡ
23411-PTA1-900
224,57 €
4 ΑΞΟΝΑΣ ΜΕΤΑΔΟΣΗΣ
23421-PWB1-900
56,60 €
5 ΔΑΚΤΥΛΙΔΙ ΑΞΟΝΑ ΕΝΔΙΣΜ.ΟΠΙΣΘΕΝ
23425-PWB1-900
7,50 €
6 ΓΡΑΝΑΖΙ 32Τ ΟΠ.ΚΙΝΗΣΗΣ
23451-PWB1-900
84,86 €
7 ΚΟΜΠΛΕΡ ΑΡΓΟ-ΓΡΗΓΟΡΟ
23471-PWB1-900
49,62 €
8 ΔΑΚΤΥΛΙΔΙ ΕΣΩΤΕΡΙΚΟ 25
23472-PWB1-900
6,53 €
9 ΚΟΛΑΡΟ 20*30*9.5
23473-PWB1-900
6,24 €
10 ΓΡΑΝΑΖΙ ΑΛΛΑΓΗΣ ΟΠΙΣΘΕΝ
23481-PWB1-900
39,24 €
11 ΓΡΑΝΑΖΙ ΟΠΙΣΘΕΝ 19Δ
23510-PWB1-900
63,04 €
12 ΓΡΑΝΑΖΙ ΕΜΠΡΟΣΘΙΑΣ ΚΙΝΗΣ. 32Δ
23511-PTA1-900
153,37 €
13 ΓΡΑΝΑΖΙ ΑΡΓΗΣ ΚΙΝΗΣΗΣ 40Δ
23512-PWB1-900
87,29 €
14 ΓΡΑΝΑΖΙ ΤΕΛΙΚΗΣ ΜΕΤΑΔΟΣΗΣ ΚΙΒΩΤΙΟΥ
23518-PWB1-900
58,76 €
15 ΓΡΑΝΑΖΙ ΟΠΙΣΘΕΝ ΕΝΔΙΑΜΕΣΟ 28Δ
23521-PWB1-900
61,36 €
16 ΦΟΥΡΚΕΤΑ ΤΑΧΥΤΗΤΩΝ
24221-PWB1-900
120,12 €
17 ΑΞΟΝΑΣ ΟΔΗΓΟΣ ΦΟΥΡΚΕΤΩΝ
24241-PWB1-900
5,26 €
18 ΑΞΟΝΑΣ ΜΥΛΟΥ ΤΑΧΥΤΗΤΩΝ
24242-PWB1-900
154,39 €
19 ΒΑΣΗ ΕΠΙΛΟΓΕΑ ΤΑΧΥΤΗΤΩΝ ΕΜΠΡΟΣ
24301-PWB1-900
37,97 €
20 ΒΑΣΗ ΕΠΙΛΟΓΕΑ ΤΑΧΥΤΗΤΩΝ ΠΙΣΩ
24302-PWB1-900
37,28 €
21 ΕΛΑΤΗΡΙΟ ΒΑΣΗΣ(ΕΠΙΛΟΓΕΑ)ΤΑΧΥΤΗΤΩΝ
24305-PWB1-900
4,22 €
22 ΒΑΣΗ (ΕΠΙΛΟΓΕΑ) ΤΑΧΥΤΗΤΩΝ
24310-PWB1-900
221,40 €
23 ΓΡΑΝΑΖΙ ΕΠΙΛΟΓΕΑ ΤΑΧΥΤΗΤΩΝ
24411-PWB1-900
13,25 €
24 ΜΠΡΑΤΣΟ ΣΤΟΠ ΕΠΙΛΟΓΕΑ ΤΑΧΥΤΗΤΩΝ
24430-PWB1-900
5,53 €
25 ΕΛΑΤΗΡΙΟ ΜΠΡΑΤΣΟΥ ΣΤΟΠ ΕΠΙΛ.ΤΑΧ.
24435-PTA1-800
2,00 €
26 ΑΞΟΝΑΣ ΕΠΙΛΟΓΗΣ ΚΙΝΗΣΗΣ
24610-PWB1-900
12,53 €
27 ΑΞΟΝΑΣ ΕΠΙΛΟΓΗΣ ΚΙΝΗΣΗΣ ΚΟΜΠΛΕ
2461A-PWB1-900
13,24 €
28 ΠΑΞΙΜΑΔΙ Β ΓΡΑΝΑΖΙΟΥ ΚΙΝΗΣΗΣ Μ20*1,5
90202-PWB1-900
6,53 €
29 ΠΡΟΣΘΗΚΗ (ΡΟΔΕΛΑ) 1.15ΜΜ
90322-PWB1-900
2,92 €
30 ΒΙΔΑ 6,1ΜΜ
90435-HCB3-001
0,93 €
31 ΡΟΔΕΛΑ 25*32*1
90446-PWB1-900
1,66 €
32 ΡΟΔΕΛΑ 20mm
90451-LBA7-900
1,93 €
33 ΡΟΔΕΛΑ 25mm
90452-LBA7-900
2,00 €
34 ΡΟΔΕΛΑ 20*1
90454-KED9-900
1,46 €
35 ΡΟΔΕΛΑ ΜΕ ΕΓΚΟΠΕΣ 25mm
90455-LBA7-900
2,00 €
36 ΡΟΔΕΛΑ 12*20*1
90459-PWB1-900
1,64 €
37 ΡΟΥΛΕΜΑΝ ΚΤ30*35*12.8
91021-PWB1-90B
9,58 €
38 ΠΑΞΙΜΑΔΙ 6mm
94050-06080
1,92 €
39 ΑΣΦΑΛΕΙΑ 12mm
94510-12000
1,28 €
40 ΑΣΦΑΛΕΙΑ 25mm
94510-25000
1,92 €
41 ΑΣΦΑΛΕΙΑ ΑΞΟΝΑ ΕΠΙΛΟΓΕΑ ΤΑΧΥΤΗΤΩΝ
94611-PWB1-900
1,09 €
42 ΒΑΣΗ ΜΠΡΑΤΣΟΥ ΣΤΟΠ ΕΠΙΛΟΓΕΑ ΤΑΧ.
95601-PWB1-900
4,38 €
43 ΒΙΔΑ 6*25
95701-06025-06
1,92 €
44 ΜΠΙΛΙΕΣ 4*8
96220-40080
1,04 €

Γρήγορη Επισκόπηση

MXU 450i 4x4 ECO-ΔΙΑΦΟΡΙΚΟ (ΓΡΑΝΑΖΙΑ ΜΕΙΩΤΗΡΑ)

Λεπτομέρειες

MXU 450i 4x4 ECO-ΔΙΑΦΟΡΙΚΟ (ΓΡΑΝΑΖΙΑ ΜΕΙΩΤΗΡΑ)