Τηλ 2310249229 | info@mtsmoto.gr

Φιλίππου 72 & Ιασωνίδη Λεωνίδα, 54635 Θεσσαλονίκη

0 - Item

Δεν υπάρχουν προϊόντα στο Καλάθι Αγορών σας!

Μερικό Σύνολο: 0,00 €

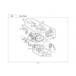
MXU 450i EURO 4-ΦΥΓΟΚΕΝΤΡΙΚΑ

MXU 450i EURO 4-ΦΥΓΟΚΕΝΤΡΙΚΑ

Περισσοτερες Οψεις

Α/Α Όνομα Τιμή Ποσ.
1 ΗΜΙΤΡΟΧΑΛΙΑ ΜΕ ΕΞ/ΚΑ ΠΤΕΡΥΓΙΑ
22102-LFA5-900
82,72 €
2 ΠΕΙΡΟΣ ΗΜΙΤΡΟΧΑΛΙΑΣ ΒΑΡΙΑΤΟΡ
22105-ALE8-E00
24,36 €
3 ΗΜΙΤΡΟΧΑΛΙΑ ΒΑΡΙΑΤΟΡ
22110-ALE8-E00
104,57 €
4 ΔΑΚΤΥΛΙΔΙΑ ΒΑΡ. (SΕΤ/8)
22121-LGC7-305
41,94 €
5 ΒΑΣΗ ΕΛΑΤΗΡΙΟΥ ΕΞΩΤ.ΦΥΓΟΚΕΝΤΡΙΚΟΥ
22127-LFA5-900
15,78 €
6 ΠΛΑΚΑ ΕΛΑΤΗΡΙΩΝ ΦΥΓΟΚΕΝΤΡΙΚΟΥ
22128-LFA5-900
15,78 €
7 ΒΑΣΗ (ΚΑΠΑΚΙΟΥ) ΒΑΡΙΑΤΟΡ
22131-PWB1-900
16,90 €
8 ΟΔΗΓΟΣ ΒΑΡΙΑΤΟΡ (ΤΡΙΓΩΝΟ) ΣΕΤ
22132-PWB1-305
10,00 €
9 ΕΛΑΤΗΡΙΟ ΡΥΘΜΙΣΗΣ ΔΙΣΚΩΝ
22402-LFA5-900
15,78 €
10 ΒΑΣΗ ΚΟΜΠΛΕΡ ΜΕ ΣΙΑΓΩΝΕΣ
2261A-LFA5-900
335,27 €
11 ΠΛΑΚΑ (ΒΑΣΗ) ΦΥΓΟΚΕΝΤΡΙΚΟΥ
2262A-LFA5-900
173,15 €
12 ΣΙΑΓΩΝΕΣ ΦΥΓΟΚΕΝΤΡΙΚΟΥ
22631-LFA5-900
53,17 €
13 ΕΛΑΤΗΡΙΟ ΣΙΑΓΩΝΩΝ ΚΟΜΠΛΕΡ
22641-LFA5-900
2,00 €
14 ΚΑΜΠΑΝΑ ΦΥΓΟΚΕΝΤΡΙΚΟΥ
2266A-LFA5-900
166,83 €
15 ΚΟΜΠΛΕΡ ΟΠΙΣΘΙΟ ΚΟΜΠΛΕ
2301A-LGC7-E00
631,67 €
16 ΙΜΑΝΤΑΣ ΚΙΝΗΣΗΣ (KEVLAR)
23100-PWB1-900
175,24 €
17 ΑΠΟΣΤΑΤΗΣ ΗΜΙΤΡΟΧΑΛΙΑ
23201-PWB1-900
20,26 €
18 ΗΜΙΤΡΟΧΑΛΙΑ ΚΙΝΗΤΗ ΟΠΙΣΘΙA
23220-LFA5-900
140,53 €
19 ΕΛΑΤΗΡΙΟ ΟΠΙΣΘΙΟΥ ΚΟΜΠΛΕΡ ΜΕΓΑΛΟ
23233-LGC7-E00
23,77 €
20 ΚΟΛΑΡΟ ΚΙΝ.ΗΜΙΤΡ.ΚΟΜΠΛ.
23237-LFA5-900
16,76 €
21 ΗΜΙΤΡΟΧΑΛΙΑ ΟΠΙΣΘΙA ΣΤΑΘΕΡΗ
23240-LFA5-900
154,06 €
22 ΚΑΠΑΚΙ ΗΜΙΤΡΟΧΑΛΙΑΣ ΣΤΑΘΕΡΗΣ ΚΟΜΠΛΕ
23250-ZXA6-M01
98,76 €
23 ΒΑΡΕΛΑΚΙ ΟΠ.ΗΜΙΤΡΟΧΑΛΙΑΣ
23252-LFA5-900
5,26 €
24 ΡΟΔΕΛΑ
23256-LFA5-900
1,09 €
25 ΡΟΥΛΕΜΑΝ ΜΟΝΟΔΡΟΜΟ!
91021-LDB5-E00
131,33 €
26 ΛΑΣΤΙΧΑΚΙ (Ο-RΙΝG)
91304-PWB1-900
1,60 €
27 ΠΑΞΙΜΑΔΙ ΑΡΙΣΤ.ΣΠΕΙΡΩΜΑ 16mm
94001-PWB1-900
8,77 €
28 ΠΑΞΙΜΑΔΙ 16mm
94002-PWB1-900
7,99 €
29 ΠΑΞΙΜΑΔΙ 18mm
94052-PWB1-900
8,77 €
30 ΑΣΦΑΛΕΙΑ ΕΞΩΤΕΡΙΚΕΣ 35mm
94510-35150
2,00 €
31 ΑΣΦΑΛΕΙΑ 7mm
94540-07017
1,09 €

Γρήγορη Επισκόπηση

MXU 450i EURO 4-ΦΥΓΟΚΕΝΤΡΙΚΑ

Λεπτομέρειες

MXU 450i EURO 4-ΦΥΓΟΚΕΝΤΡΙΚΑ