Τηλ 2310249229 | info@mtsmoto.gr

Φιλίππου 72 & Ιασωνίδη Λεωνίδα, 54635 Θεσσαλονίκη

0 - Item

Δεν υπάρχουν προϊόντα στο Καλάθι Αγορών σας!

Μερικό Σύνολο: 0,00 €

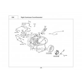
MXER 150-ΔΕΞΙ ΚΑΡΤΕΡ - ΒΟΛΑΝ - ΠΗΝΙΑ

MXER 150-ΔΕΞΙ ΚΑΡΤΕΡ - ΒΟΛΑΝ - ΠΗΝΙΑ

Περισσοτερες Οψεις

Α/Α Όνομα Τιμή Ποσ.
1 ΚΑΠΑΚΙ ΚΑΡΤΕΡ ΔΕΞΙΟ ΕΞΩΤΕΡΙΚΟ
11330-LLB1-900
142,26 €
2 ΦΛΑΝΤΖΑ ΔΕΞΙΟΥ ΚΑΠΑΚΙΟΥ ΚΑΡΤΕΡ
11394-LLB1-900
8,77 €
3 ΔΕΙΚΤΗΣ ΛΑΔΙΟΥ ΚΟΜΠΛΕ
1565A-GFY6-900
3,60 €
4 ΒΟΛΑΝ
31110-LLB1-90A
92,32 €
5 ΒΟΛΑΝ
31110-LLB1-90B
92,32 €
6 ΜΑΝΙΑΤΟ ΚΟΜΠΛΕ (88ΜΜ) D406
31120-LLB1-90A
85,74 €
7 ΜΑΝΙΑΤΟ ΚΟΜΠΛΕ (92ΜΜ) D402
31120-LLB1-90B
82,81 €
8 ΚΑΛΩΔΙΟ ΣΩΜΑΤΟΣ
32412-LLB1-900
13,25 €
9 ΤΑΠΑ ΔΕΞΙΟΥ ΚΑΠΑΚΙΟΥ ΚΑΡΤΕΡ
9008A-LLB1-900
15,49 €
10 ΛΑΣΤΙΧΑΚΙ 26.5Χ2.0
91301-GDK4-87A
1,39 €
11 ΛΑΣΤΙΧΑΚΙ 13.8*2.5
91303-3G77-001

Κανονική Τιμή: 1,04 €

Special Price 0,96 €

12 ΛΑΣΤΙΧΑΚΙ 23*2.4
91304-GHC8-004
1,04 €
13 ΛΑΣΤΙΧΑΚΙ ΔΕΙΚ.ΛΑΔ.
91307-0E35-001
1,92 €
14 ΒΙΔΑ 5*25
92201-05025-0G
2,90 €
15 ΒΙΔΑ 5*16
93500-05016-0H
2,00 €
16 ΠΕΙΡΟΣ ΚΕΦ.ΚΥΛ.
94301-10160
1,33 €
17 ΒΙΔΑ 6*12
96001-06012-08
2,00 €
18 ΒΙΔΑ 6*45
96001-06045-08
1,60 €
19 ΒΙΔΑ ΔΕΞΙΟΥ ΚΑΠ.ΚΑΡΤΕΡ
96001-06125-08
0,00 €

Γρήγορη Επισκόπηση

MXER 150-ΔΕΞΙ ΚΑΡΤΕΡ - ΒΟΛΑΝ - ΠΗΝΙΑ

Λεπτομέρειες

MXER 150-ΔΕΞΙ ΚΑΡΤΕΡ - ΒΟΛΑΝ - ΠΗΝΙΑ